새로운 Part 파일을 만들고 스케치 모드를 사용해 보세요
1. File > NEW를 클릭합니다. File Name는 "31"자 이하로 작성 합니다. "한글"사용은 불가능 합니다.
"OK"를 클릭하여 Part 모드에 들어 갑니

2. Model 탭 > skecth 명령을 클릭합니다. 스케치 명령을 배우기 위해 클릭 합니다

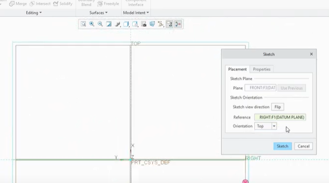
3. 스케치 명령 사용을 위한 평면 선택을 "Front" 선택 합니다

4. 스케치 명령 화면

1) setup 그룹
- 스케치 모드의 사용 환경을 제어 합니다. 치수 또는 모델 참조를 표시 하고, 변경 할수 있습니다
2) get data 그룹
- 외부 데이를 가져올수 있습니다
3) operation 그룹
- 스케치의 선 또는 점, 치수 등을 선택 합니다. 복사, 붙여 넣기를 할수 있습니다.
4) Datum 그룹
- 스케치 데이텀 피처(점, 좌표계, 축)를 만들수 있습니다.
5) Sketching 그룹
- 선, 호 등을 스케치 할수 있습니다
6) Editing 그룹
- 스케치한 선, 점 등을 편집 할수 있습니다
7) Constrain 그룹
- 스케치한 선, 점 등을 구속 할수 있습니다
8) Dimension 그룹
- 스케치한 선, 점 등에 치수 값을 넣어 구속 할수 있습니다
9) inspect 그룹
- 스케치한 내용을 검증 합니다
10) Close 그룹
- 스케치 모드를 완료 또는 취소 합니다
아래 유튜브 동영상을 참고 하여 스케치 모드를 학습 합니다. 스케치의 선 또는 점을 "엔티티"라고 합니다
엔티티 개수를 제한 사용 하십시요. 대략 20개이하로 사용 합니다. 여러개의 스케치 Feature를 사용하여 3D 모델을 생성 합니다. Sketching 그룹의 "Project" 명령을 적절히 사용 하면 여러개의 스케치 Feature로 모델을 완료 할수 있습니다
'Creo Reference Room > Creo Tutorial' 카테고리의 다른 글
| 피스톤 4 : Creating Hole & Round & Resolve Cut (0) | 2023.02.01 |
|---|---|
| 피스톤 3 : Creating Datum & Sketches Features (0) | 2023.01.25 |
| 피스톤 2 : Removing Material & Rounds (0) | 2023.01.25 |
| 피스톤 1 : Creating a New Part & Creating an Extrusion (0) | 2023.01.24 |
| Learn #1 (0) | 2023.01.10 |